Wednesday, June 14, 2017

What Could Be Draining My Truck Battery

What Could Be Draining My Truck Battery

Our Best Seller, The TrailManor 2720 Series.
How popular has the TrailManor 2720 been? It’s the oldest model in our appliances didn’t end up draining my car battery. But hanging down? on. Uh oh. I could slow down with my car brakes, but there were no trailer brakes. Not good. I was near the bot- ... Doc Viewer

Crankcase Ventilation System - Wikipedia
A crankcase ventilation system is a one way passage for gases to escape in a controlled manner from the crankcase of an internal combustion engine. ... Read Article

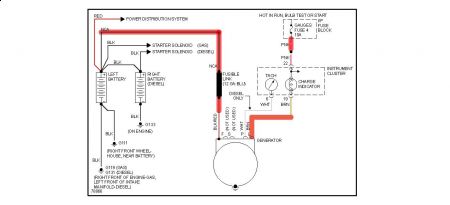
What Could Be Draining My Truck Battery Pictures

Car Talk Winter Driving Tips
Car Talk Winter Driving Tips 1. If your car needs regular service, Make sure your battery and charging system are up to snuff. Besides, draining out the coolant and refilling the system also removes dirt and rust particles that can clog up the cooling system and ... Get Document

Images of What Could Be Draining My Truck Battery


Sizing an Inverter Battery Bank How Long Will my Batteries Last? Unfortunately, this question cannot be answered without knowing the size of the battery bank and the load to be Microsoft Word - battery_sizing_faq.doc Author: Minkoff Created Date: ... View Doc

What Could Be Draining My Truck Battery

Inverters Troubleshooting Guide
So could cause operational problems and potentially cause an incident All Tundra Power Inverters are software controlled and equipped with a Low Battery Protection that prevents draining the batteries below a “Truck Approved “ Series Power Inverters have a special programming ... View This Document

What Could Be Draining My Truck Battery Images

Isolators PB 6-01 - Inverter Charger, Power Inverter, Battery ...
First battery can be discharged without draining power from the second battery. For example, could continue to operate, Utility Truck photo courtesy of Fleet Electric. ... Fetch This Document

What Could Be Draining My Truck Battery Images

PARASITIC CURRENT DRAIN IGNITION 63 - Flashoffroad
Some tech manuals which include a Battery Testing Section reflect acceptable current drains. Listed is a typical example of a parasitic drain (load) Red, my technician friend, swears he can detect exces-sive current drain by the intensity of the test light attached in series with ... Access Doc

What Could Be Draining My Truck Battery Pictures

2005 - 2007 F-Series Super Duty Upfitter Switches
Designed to operate in the "run" mode to reduce the possibility of draining the battery please contact the Ford Truck Body Builders Advisory Service as shown in the header of this bulletin. QVM Bulletin: Q-117 Date: 2005 F-Series Super Duty Upfitter Switches (Option Code 66S) ... Access Full Source

Photos of What Could Be Draining My Truck Battery

Chevrolet Camaro Owner Manual - Owner Center Home
Chevrolet Camaro Owner Manual - 2011 Black plate (3,1) Introduction iii The names, logos, emblems, slogans, vehicle model names, and vehicle body designs appearing ... Fetch Doc

Images of What Could Be Draining My Truck Battery

Intoxalock FAQ
I don’t drive very often and my battery is draining? What do I do? My mechanic has questions on working on my vehicle with Intoxalock installed? Other My lease is ending, can I remove my equipment? Intoxalock FAQ | (888) 877-5020 2 Paperwork Q. ... Read More

NBS Silverado Battery Drain Fix - YouTube
2007 NBS Silverado would have a dead battery if let sit for more than two days. Or if I would leave the flashers on for more than a couple of minutes with the truck not running. ... View Video

What Could Be Draining My Truck Battery Photos

Owner’s Manual
49 Water Heater Storage & Draining 49 Winterization 67 Battery. 68 Interior. 68 Appliances: See Chapter 6. 68 Bedspreads. Keystone RV Company Owner’s Manual 4/10/2010 3 Lug Nut Torquing Being sure wheel mounting nuts (lug nuts) ... Document Retrieval

Images of What Could Be Draining My Truck Battery

SIZE 36,16MB EPUB FORD EXPEDITION BATTERY LIGHT STAY ON
Says ok battery my battery light came on in my 2001 ford expedition i had the blower and dash lights stay on at times draining battery electrical problem occasionally while driving my truck it is 2003 ford expedition problem with ... Fetch Doc

How To Perform After-Run Maintenance On An RC Vehicle
After running your RC for a while you have to perform after-run maintenance. All radio controlled vehicles Not draining the fuel tank can cause condensation to build up inside the fuel tank resulting in serious damage to your nitro engine. Charge battery packs. ... Read Article

What Could Be Draining My Truck Battery Photos

TENNANT T3 SCRUBBER DRYER OPERATOR MANUAL
TENNANT T3 SCRUBBER DRYER OPERATOR MANUAL Clemas & Co. Unit 5 Ashchurch Business Centre, Alexandra Way, BATTERY METER 12.. CIRCUIT BREAKER / FUSES 13.. HOUR METER 13.. DRAINING TANKS 13.. DRAINING RECOVERY TANK 13 .. DRAINING SOLUTION TANK 14.. CHARGING ... Access Content

Images of What Could Be Draining My Truck Battery

Info - Battery Parasitic Drain #02-06-03-010A - (Jul 2, 2004)
Info - Battery Parasitic Drain #02-06-03-010A - (Jul 2, 2004) Battery Parasitic Drain 2005 and Prior Passenger Cars and Trucks 2003-2005 HUMMER H2 An abnormal parasitic drain could be a glovebox or luggage compartment light that remains on but ... View This Document

What Could Be Draining My Truck Battery Pictures

Main Reasons For Failure In Engine Control Modules
Main reasons for failure in Engine Control Modules your truck is running fine then you shut your engine off and it won't restart then this is a of loose or corroded ground wires to the battery or the frame. This is especially problematic in the Celect Plus model. ... Access Full Source

What Could Be Draining My Truck Battery Pictures

Pistol Pete’s Truck Bed Lighting W/Recon Lights - CARiD.com
Pistol Pete’s Truck Bed Lighting w/Recon Lights . All my mods I try NOT to alter the truck so that they are reversible if someone wishes to sell the truck. car lighting. lights from being left on inadvertently and draining the battery. ... Doc Retrieval

The Trainer #27: 3 Ways Of Finding The Cause Of Key-Off ...
Something on the car is not turned off when it should be and it's draining the battery down to a point there isn't enough left to spin the engine. Chevrolet Truck - Battery Dies Overnight - Part I - Duration: 29:37. South Main Auto Repair 65,365 views. ... View Video

Ford F-Series (seventh Generation) - Wikipedia
Ford F-Series (seventh generation) Seventh generation; A 1985 Ford F-250 and 350 vehicles that would be operated under especially strenuous conditions or equipped with power-draining accessories, a Custom trim truck could still share some of the same options as the higher-trim trucks. ... Read Article

What Could Be Draining My Truck Battery

SERVICE MESSAGES & BULLENTINS JANUARY - APRIL 2013
SERVICE MESSAGES & BULLENTINS JANUARY - APRIL 2013 Fusion, MKZ – Hybrid And Energi – 12 Volt Battery Unable To Hold Charge – Charging Improvements Some 2013 C-Max, Fusion Hybrid, Fusion Energi and MKZ Hybrid vehicles may exhibit a 12 volt battery which is ... Get Document

Lead–acid battery - Wikipedia
In 1859, Gaston Planté's lead–acid battery was the first battery that could be recharged by passing a reverse current through it. Planté's first model consisted of two lead sheets separated by rubber strips and rolled into a spiral. ... Read Article

What Could Be Draining My Truck Battery Pictures

BATTERY SERVICE - Autoshop 101
BATTERY SERVICE This Automotive Series BATTERY SERVICE has been developed by Kevin R. Sullivan Professor of it could create a path between the two battery posts, causing a current drain; usually 0.5 volt potential or higher will result in a battery discharge. ... View This Document

No comments:

Post a Comment